南通方圣石化设备有限公司
主营:混合器;静态混合器;汽水混合器;喷射混合器;蒸汽加热器;蒸汽喷射真空泵;高效换热器;蒸气减温器;减温减压器;加热设备;无重力粒子混合机;混合机;螺条式混合机;螺旋锥形混合机;螺旋输送机;星形出料阀;搅拌机;管道过滤器;精细过滤器;自清洗过滤器
主营:混合器;静态混合器;汽水混合器;喷射混合器;蒸汽加热器;蒸汽喷射真空泵;高效换热器;蒸气减温器;减温减压器;加热设备;无重力粒子混合机;混合机;螺条式混合机;螺旋锥形混合机;螺旋输送机;星形出料阀;搅拌机;管道过滤器;精细过滤器;自清洗过滤器
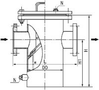
![[厂家直销]T型过滤器,优质T型过滤器南通方圣制造,价格实惠](http://images.haomiao.net/small/trade/2020/09/03/17/2009031753458425.jpg)
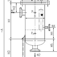
![[厂家直销]篮式过滤器,南通方圣优质低价,服务周到](http://images.haomiao.net/small/trade/2020/09/03/17/2009031753456010.jpg)
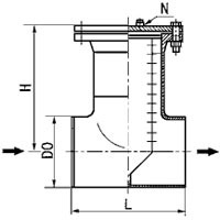
![[厂家直销]Y型过滤器,优质过滤器,南通方圣优质低价,服务周到](http://images.haomiao.net/small/trade/2020/09/03/17/2009031753448170.jpg)
![[厂家直销]XF型星形出料阀(旋转加料器),优质星形出料阀方圣制造](http://images.haomiao.net/small/trade/2020/09/03/17/2009031753435755.jpg)